|
|
|
| ¹°°ÇÁ¤º¸ Çٽɺ¸±â |
Ȩ > °æ¸ÅÁ¾ÇÕ°Ë»ö > ¹°°ÇÁ¤º¸ Çٽɺ¸±â |
|
|
| 2025Ÿ°æ102599 °æ¸Å»ç°ÇÀÇ ´Ù¼¼´ë(ºô¶ó) ¹°°Ç¿¡ °üÇÑ »ó¼¼ Á¤º¸ÀÔ´Ï´Ù. |
|
| ¼ÒÀçÁö |
¼¿ïƯº°½Ã Áß±¸ ½Å´çµ¿ 366-314 ´Ù»ê¹Ì·ë 3Ãþ302È£
|
|
| »ç°Ç¹øÈ£ |
2025 Ÿ°æ 102599 |
¹°°Ç¹øÈ£ |
1
|
¹°°Ç¿ëµµ |
´Ù¼¼´ë(ºô¶ó) |
| °¨Á¤Æò°¡¾× |
367,000,000¿ø |
°æ¸Å´ë»ó |
ÅäÁö ¹× °Ç¹°Àϰý ¸Å°¢ |
ÁøÇà»óÅ |
À¯Âû |
| ÃÖÀúÀÔÂû°¡ |
(51%) 187,904,000¿ø
|
°Ç¹°¸éÀû |
28.05§³(8.49Æò) |
ÀÔÂû±âÀÏ |
2026.03.10(È) 10:00
(ÀÔÂû 16ÀÏÀü)
|
| ÀÔÂûº¸Áõ±Ý |
(10%) 18,790,400¿ø |
ÅäÁö¸éÀû |
20.15§³(6.10Æò)
|
À¯ÂûȽ¼ö |
3ȸ |
| ÀÔÂû¹ý¿ø |
¼¿ïÁß¾ÓÁö¹æ¹ý¿ø |
°æ¸Å¹æ¹ý |
ºÎµ¿»ê°Á¦°æ¸Å |
¹°°ÇÁ¶È¸¼ö |
¿À´Ã: 3ȸ [´©Àû: 1392ȸ]
|
| ¸»¼Ò±âÁØ | ÃÖ¼±¼øÀ§ ¼³Á¤ : 2023.05.18.°¡¾Ð·ù ¼³Á¤
|
|
|
|
|
|
|
|
|
|
|
°æ¸Å´ë»ó ¸ñ·Ï
|
|
| ±¸ºÐ |
¸ñ·Ï |
ÁÖ¼Ò |
±¸Á¶/¿ëµµ/´ëÁö±Ç |
ºñ°í |
´ëÁö±Ç
|
1 |
½Å´çµ¿ 366-314 |
330ºÐÀÇ 20.153 |
20.153§³ (6.10Æò)
|
°Ç¹°
|
1 |
½Å´çµ¿ 366-314 |
3Ãþ302È£ ö±ÙÄÜÅ©¸®Æ®±¸Á¶ |
28.053§³ (8.49Æò)
|
|
|
|
2025-11-18
À¯Âû
|
(100%)
367,000,000¿ø
|
|
|
|
2025-12-23
À¯Âû
|
(80%)
293,600,000¿ø
|
|
|
|
2026-01-27
À¯Âû
|
(64%)
234,880,000¿ø
|
|
|
|
2026-03-10
ÁøÇà
|
(51%)
187,904,000¿ø
|
|
|
|
|
|
°¨Á¤Æò°¡¼ ¿ä¾à |
|
[À§Ä¡/ÁÖÀ§È¯°æ]
´ë»ó¹°°ÇÀº ¼¿ïƯº°½Ã Áß±¸ ½Å´çµ¿ ¼ÒÀç ¡®¹öƼ°í°³¿ª¡¯ ºÏÃø Àαٿ¡ À§Ä¡ÇÏ´Â ºÎµ¿»ê(´Ù¼¼´ëÁÖÅÃ)À¸·Î ÁÖÀ§´Â ´Ù¼¼´ë µîÀÌ ºÐÆ÷ÇÏ´Â ÁÖ°ÅÁö´ë·Î¼ Àü¹ÝÀûÀÎ ÁÖ°Åȯ°æÀº ¾çÈ£ÇÔ.
[±³Åë»óȲ]
´ë»ó¹°°Ç±îÁö Â÷·®ÀÇ ÁøÃâÀÔ °¡´ÉÇϸç, Àαٿ¡ ÁöÇÏö¿ªÀÌ ¼ÒÀçÇÏ´Â µî, Àü¹ÝÀûÀÎ ±³Åë»óȲÀº ¾çÈ£ÇÔ.
[°Ç¹°±¸Á¶]
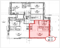
ö±ÙÄÜÅ©¸®Æ®±¸Á¶ °æ»çÁöºØ ÁöÇÏ 2Ãþ, Áö»ó 4Ãþ °Ç¹° ³» Á¦3Ãþ Á¦302È£·Î¼,
¿Ü º® : º®µ¹½×±â¸¶°¨ µî
â È£ : PVC âȣ µî
[ÀÌ¿ë»óÅÂ]
´Ù¼¼´ëÁÖÅÃÀÓ.
[¼³ºñ³»¿ª]
À§»ý ±Þ¹è¼ö½Ã¼³, ¼Òȼ³ºñ, ½Â°±â¼³ºñ µî °®Ãß¾úÀ½.
[ÅäÁöÇü»ó/ÀÌ¿ë»óÅÂ]
Á¦3Á¾ÀϹÝÁÖ°ÅÁö¿ª °¡Ãà»çÀ°Á¦Çѱ¸¿ª£¼°¡ÃàºÐ´¢ÀÇ °ü¸® ¹× À̿뿡 °üÇÑ ¹ý·ü£¾, ´ë°ø¹æ¾îÇùÁ¶±¸¿ª(À§Å¹°íµµ:77-257m)£¼±º»ç±âÁö ¹× ±º»ç½Ã¼³ º¸È£¹ý£¾, °ú¹Ð¾ïÁ¦±Ç¿ª£¼¼öµµ±ÇÁ¤ºñ°èȹ¹ý£¾ ÁßÁ¡°æ°ü°ü¸®±¸¿ª(2016-11-24)
7)ÀÎÁ¢ µµ·Î»óŵî
-
[ÅäÁöÀÌ¿ë°èȹ]
-
[°øºÎ¿ÍÀÇ Â÷ÀÌ]
-
[Âü°í»çÇ×]
- |
|
|
°ÇÃ๰ÇöȲ |
|
|
|
| ¼ÒÀçÁö |
¼¿ïƯº°½Ã Áß±¸ ½Å´çµ¿ 366-314¹øÁö |
| ´ëÁö¸éÀû |
283.73§³(85.98Æò) |
¿¬¸éÀû |
556.873§³(168.75Æò) |
ÁÖ¿ëµµ |
°øµ¿ÁÖÅà |
| °ÇÃà¸éÀû |
140.67§³(42.63Æò) |
¿ëÀû·ü»êÁ¤¿¬¸éÀû |
407.772§³(123.57Æò) |
Âø°øÀÏÀÚ |
2018.11.11 |
| °ÇÆóÀ² |
49.5788% |
¿ëÀû·ü |
143.7183% |
»ç¿ë½ÂÀÎÀÏÀÚ |
2020.02.25 |
| Áö»óÃþ¼ö |
4Ãþ |
ÁöÇÏÃþ¼ö |
2Ãþ |
±¸Á¶ |
ö±ÙÄÜÅ©¸®Æ®±¸Á¶ |
°ÇÃ๰Ãþº°ÇöȲ [º¸±â]| Ãþº° | ±¸Á¶ | ¿ëµµ | ¸éÀû | | 1Ãþ | ö±ÙÄÜÅ©¸®Æ®±¸Á¶ | ´Ù¼¼´ë, °è´Ü½Ç | 102.036§³ (30.92Æò) | | 2Ãþ | ö±ÙÄÜÅ©¸®Æ®±¸Á¶ | ´Ù¼¼´ë, °è´Ü½Ç | 102.736§³ (31.13Æò) | | 3Ãþ | ö±ÙÄÜÅ©¸®Æ®±¸Á¶ | ´Ù¼¼´ë, °è´Ü½Ç | 103.944§³ (31.5Æò) | | 4Ãþ | ö±ÙÄÜÅ©¸®Æ®±¸Á¶ | ´Ù¼¼´ë, °è´Ü½Ç | 99.056§³ (30.02Æò) | | Áö1Ãþ | ö±ÙÄÜÅ©¸®Æ®±¸Á¶ | ´Ù¼¼´ë, °è´Ü½Ç | 102.581§³ (31.09Æò) | | Áö2Ãþ | ö±ÙÄÜÅ©¸®Æ®±¸Á¶ | »ç¹«¼Ò,°è´Ü½Ç | 46.52§³ (14.1Æò) | | Áö2Ãþ | ö±ÙÄÜÅ©¸®Æ®±¸Á¶ | ÁÖÂ÷Àå | 147.9§³ (44.82Æò) |
|
|
|
|
|
 |
ÀÓÂ÷³»¿ª |
[¹è´ç¿ä±¸Á¾±âÀÏ : 2025/06/23] |
|
|
| ÀÓÂ÷ÀÎ |
Á¡À¯°ü°è |
ÀüÀÔÀÏÀÚ |
È®Á¤ÀÏÀÚ |
¹è´ç¿ä±¸ÀÏ |
º¸Áõ±Ý/Â÷ÀÓ |
´ëÇ׿ä°Ç |
ºñ°í |
| ȲOO |
302È£ |
2020.05.26. |
2020.05.08. |
2025.6.20. |
310,000,000
|
O |
2020.05.26.~ |
| ¸Å°¢¹°°Ç¸í¼¼ ºñ°í |
Ȳ¸í¿¬:°Á¦°æ¸Å ½Åûä±ÇÀÚÀÓ |
|
|
|
 |
¹ý¿ø ¹°°ÇÀÚ·á ¿ä¾à |
|
|
|
|
| ¼Ò¸êµÇÁö ¾Ê´Â µî±âºÎ±Ç¸® |
|
| ¼³Á¤µÈ °ÍÀ¸·Î º¸´Â Áö»ó±Ç |
|
| ¹ý¿øÀÚ·á Æ¯ÀÌ»çÇ× |
|
| ¿©ÀÇÁÖ°æ¸Å Á¶¾ð ÇѸ¶µð |
ÀÌ ºÎµ¿»êÀÇ ÀÔÂû¹ý¿øÀº ¼¿ïÁß¾ÓÁö¹æ¹ý¿øÀÔ´Ï´Ù.
ÀÔÂûÀÏÀº 2026-03-10ÀÔ´Ï´Ù.
ÀÔÂû½Ã°£Àº 10:00~11:00ÀÔ´Ï´Ù. ÀÌ ¹ý¿ø¿¡´Â ½ÅÇÑÀºÇàÀÌ ÀÔÁ¡Çϰí ÀÖ½À´Ï´Ù.
|
|
|
| Åë°è±â°£ |
³«Âû¹°°Ç¼ö |
Æò±Õ°¨Á¤°¡ |
Æò±Õ³«Âû°¡ |
³«Âû°¡À² |
À¯ÂûȽ¼ö |
| 3°³¿ù |
3°Ç |
201,333,333¿ø |
175,176,667¿ø |
88% |
1ȸ |
| 6°³¿ù |
4°Ç |
171,750,000¿ø |
152,432,500¿ø |
92% |
0.8ȸ |
| 12°³¿ù |
4°Ç |
171,750,000¿ø |
152,432,500¿ø |
92% |
0.8ȸ |
|
|
|
|
|
|
|
 |
ÀαÙÁö¿ª ÃÖ±Ù ³«Âû»ç·Ê
|
|
|
 |
|
|
[¾È³»] Ȥ½Ã ÀÌ¿ëÀÌ ºÒÆíÇϽðųª »èÁ¦ÇÒ ³»¿ëÀÌ ÀÖ´Ù¸é ÃÖ´ëÇÑ ³ë·ÂÇØ¼ °³¼±ÇØ ³ª°¡µµ·Ï ÇϰڽÀ´Ï´Ù.
 |
|
ÀÌ »çÀÌÆ®¿¡¼ Á¦°øµÇ´Â ºÎµ¿»ê°æ¸Å ÀÚ·á´Â ¹ý¿ø °æ¸Å°è¿¡¼ ó¸®Çϰí ÀÖ´Â ½ÇÁ¦ ¹°°ÇÀÇ Á¤º¸¿Í ÀÏÄ¡ÇÏÁö ¾ÊÀ» ¼öµµ ÀÖ½À´Ï´Ù.
´ç»ç´Â º» ÀÚ·á¿¡ °üÇÏ¿© Á¤½Ä ÄÁ¼³ÆÃ ÀÇ·Ú°¡ ¾Æ´Ñ ÀÌ»ó ¾î¶°ÇÑ º¸Áõµµ ÇÏÁö ¾ÊÀ¸¸ç ¹ýÀû Ã¥ÀÓÀ» ÁöÁö ¾Ê½À´Ï´Ù.
ÀÔÂûÇϱâ Àü¿¡ ²Ä²ÄÈ÷ ¹ý¿ø¿¡ ºñÄ¡µÈ ¸Å°¢¹°°Ç¸í¼¼¼ ¹× ±âŸ °øºÎ¸¦ ÀçÈ®ÀÎÇϽðí ÀÔÂû¿¡ Âü°¡ÇÏ½Ã±æ ¹Ù¶ø´Ï´Ù. |
|
|
|
|
|